Napadlo vás někdy, co se vlastně skrývá uvnitř spínaných napájecích zdrojů? Jaké je jejich skutečné „srdce“ a bez jakých součástek by tyto zdánlivě nenápadné krabičky nedokázaly fungovat?
Spínané zdroje dnes najdeme téměř všude, od nabíječek a LED osvětlení až po průmyslovou elektroniku. Přesto jejich vnitřní struktura zůstává pro mnoho lidí skrytá. V tomto článku se podíváme na nejdůležitější komponenty, se kterými se u většiny spínaných zdrojů setkáte a vysvětlíme si, proč jsou pro jejich správnou funkci naprosto klíčové. Bez nich by byl provoz zdroje výrazně omezený, nebo by nebyl možný vůbec.
Ať už jde o malý spínaný zdroj k napájení LED pásků, nebo výkonný průmyslový zdroj, základní stavební kameny zůstávají téměř vždy stejné. Právě tyto komponenty tvoří jádro naprosté většiny spínaných zdrojů bez ohledu na jejich výkon. Při návrhu zdroje se neřeší jen to, aby „fungoval“. Klíčovou roli hrají rozměry součástek, jejich elektrické vlastnosti, elektromagnetické rušení, stabilita výstupního napětí i schopnost zdroje spolehlivě pracovat po mnoho let.
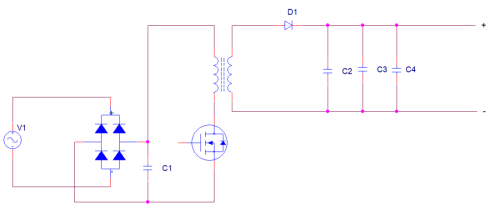
Od sítě k stejnosměrnému napětí
Celý proces začíná na vstupních svorkách zdroje. Síťové střídavé napětí je nejprve přivedeno na můstkový usměrňovač, který z něj vytvoří pulzující stejnosměrné napětí. To je následně vyhlazeno filtračním kondenzátorem C1. Tento kondenzátor musí odolat vysokému napětí, běžně alespoň 350 V. Protože na něm vzniká špičkové napětí ze sítě. Výsledkem není dokonale hladké DC, ale napětí připravené na vysokofrekvenční spínání.
MOSFET
Srdcem spínaného zdroje je výkonový MOSFET tranzistor. Právě on rozhoduje, kolik energie a kdy se do transformátoru přenese. Řídicí obvod MOSFET velmi rychle zapíná a vypíná, typicky s frekvencí okolo desítek kilohertzů (typicky 65 kHz). Každé sepnutí a rozepnutí ale znamená ztráty. Ty se mění v teplo, a proto je MOSFET často připevněn k chladiči. Důležitým parametrem je odpor tranzistoru v sepnutém stavu, označovaný jako RDSON. Čím je tento odpor nižší, tím méně energie se zbytečně mění v teplo a tím účinnější celý zdroj je.
Transformátor
Největší a zároveň nejviditelnější součástí spínaného zdroje bývá transformátor. Na rozdíl od klasických síťových transformátorů pracuje s vysokou frekvencí a využívá feritové jádro, které je pro tento režim ideální. Transformátor zde neplní jen roli změny napětí. Zajišťuje také galvanické oddělení vstupu od výstupu, což je zásadní pro bezpečnost. Pulzní proud dodávaný MOSFETem však způsobuje další ztráty, které se opět mění v teplo. Aby se energie nevracela zpět do primární části zdroje, je transformátor doplněn o zpětnou diodu D1.
Filtrace na výstupu
Na sekundární straně zdroje se energie z transformátoru usměrní a projde výstupní filtrací. O tu se stará několik kondenzátorů zapojených paralelně (C2, C3, C4 až Cx). Jejich úkolem je potlačit zvlnění a zajistit, aby na výstupu bylo stabilní stejnosměrné napětí, které může bez problémů napájet citlivou elektroniku.
Právě kombinace transformátoru a filtračních kondenzátorů zabírá značnou část objemu zdroje. Přesto jsou tyto součástky nenahraditelné – bez nich by nebylo možné dosáhnout účinnosti, stability ani spolehlivosti, kterou od moderních spínaných zdrojů očekáváme.
Spínaný zdroj je příkladem toho, jak zdánlivě jednoduché zařízení skrývá pečlivě vyvážený celek. Každá komponenta má přesně danou roli a jakákoli úspora na špatném místě se dříve či později projeví nižší účinností, vyšším rušením nebo kratší životností. Právě proto se konstrukce spínaných zdrojů i dnes neustále vyvíjí.

